Наш телеграм-канал: https://t.me/medfordservice
Содержание:
- Общий обзор аппарата
- Внутреннее строение
- Front-End Unit
- Back-End Unit
- Peripheral & User Interface
- Power Supply Unit
Общий обзор аппарата
Аппарат DC-90 для нашего рынка относительно новый экземпляр, хотя первая его версия появилась в 2018 году и имел название DC-80A. В 2020 году для этой модели была выпущена вторая версия допплера, а операционная система была заменена на Windows 10.

Всем видом DC-90 напоминает DC-70 Pro X-Insight, однако в них есть различия. Рассмотрим характеристики DC-90:
Диагональ монитора — 23,8 дюйма. Командный сенсорный экран на 13,3 дюйма.
Первое визуальное отличие от DC-70 Pro это 5 портов для датчиков, и все активные (никаких парковочных портов как в Resona 6).
Память аппарата состоит из HDD на 1 Тб для хранения данных о пациентах и SSD на 128 Гб, где хранятся системные файлы.
Помимо стандартных технологий визуализации Mindray в DC-90 появился 3D iClear — режим подавления зернистости в режиме трехмерной реконструкции, Depth VR — рендеринг глубины объемного изображения. Примечательно, что у DC-90 есть возможность использовать программное обеспечение для магнитной навигации с сенсорным позиционированием iFusion со всеми аксессуарами (используется с датчиками SC6-1E, C5-1E, L14-5WE, SP5-1E. Такая опция доступна на Resona 7.
Для системы доступно более 35 программных опций, а также 27 датчиков.
В остальном аппарат очень сильно напоминает DC-70 Pro X-Insight.
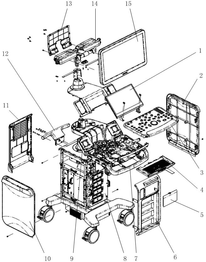
Внутреннее строение
На изображении ниже приведена структурная схема устройства DC-90.

Разборка DC-90 происходит точно также, как и у 70-ки: чтобы добраться до внутренностей аппарата, необходимо снять боковые стенки. Нужно выкрутить винт снизу под стенкой и аккуратно потянуть ее вверх относительно пола.



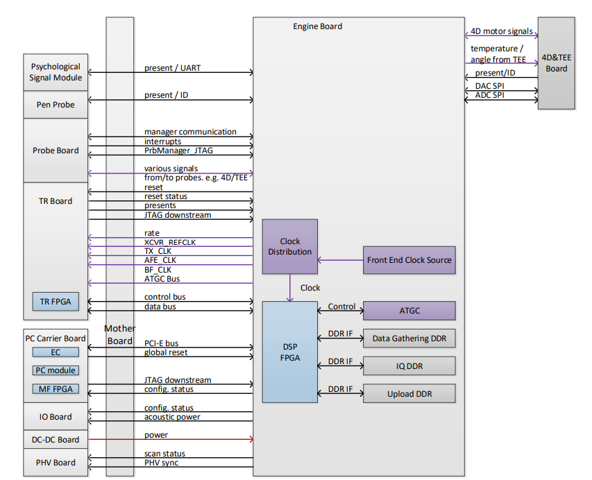
Front-End Unit
К FE части аппарата относятся:
- Плата датчиков
- Плата Engine board
- TR 64 — их у этого аппарата две
- CW
- 4D board
Плата датчиков


Плата Transmit-Receieve (TR64)
Каждая плата обеспечивает передачу и прием по 64 каналам.



Плата CW

Плата Engine Board



Плата 4D

Back-End Unit
В состав BE части DC-90 входят
- PC carrier board
- PC модуль
- Графический процессор GPU
- IO board
- Материнская плата
- SSD/HDD
PC carrier board


PC модуль

Модуль GPU
В качестве сопроцессора внутреннего блока обработки, модуль GPU используется для рендеринга изображений во время 3D/4D.

Память DC-90
HDD диск спрятан в стальном коробе с тыльной стороны аппарата.

На изображении ниже показано расположение SSD, где хранится системная информация.

Материнская плата

1 — USB
2 — Порт сенсорного экрана
3 — Порт монитора
4 — Порт питания HDD
5 — DVD-RW
6 — Порт принтера
7 — Порт микрофона
8 — Порт динамика
9 — ЭКГ модуль
10 — Сигнал панели управления
11 — Питания панели управления
12 — 12В к сенсорному экрану
13 — 12В к монитору
14 — Коннектор батареи
15 — AC Aux Output
16 — Коннектор AC-DC
17 — 12В входное питание
18 — Заземление
Peripheral & User Interface
К частям пользовательского интерфейса относятся:
- Панель управления
- Сенсорный экран
- Экран монитора
- ЭКГ модуль
- Wi-Fi модуль
Панель управления


Сенсорный экран


Основной монитор


ЭКГ модуль

Wi-Fi модуль
Power Supply Unit
- Bottom Power Box
- DC-DC board
- PHV Board
- Батарея (опционально)
Bottom Power Box
Узел ввода AC

Соединительная плата AC
AC-DC
Платы DC-DC и PHV
Расположение плат
Подписывайтесь на наши ресурсы:
Комьюнити инженеров Mindray и Бот для поиска документации, запасных частей и исполнителя сервиса
